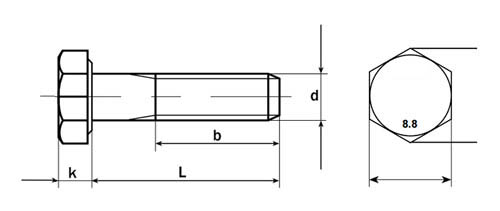
Metric Fine Pitch Thread
DIN 960 / ISO 8765 / EN 28765
• Steel Grades: 8.8, 10.9
• Finish: Self, Black, Bright Zinc, Hot Dip Galvanized (HDG)
| dxP | M8x1 | M10x1 | M12x1.25 | M14x1.5 | M16x1.5 | M18x1.5 | M20x1.5 | M22x1.5 | M24x1.5 |
| M10x1.25 | M12x1.5 | M18x2 | M20x2 | M22x2 | M24x2 | ||||
| B 1 | 22 | 26 | 30 | 34 | 38 | 42 | 46 | 50 | 54 |
| B 2 | 28 | 32 | 36 | 40 | 44 | 48 | 52 | 56 | 60 |
| k | 5.3 | 6.4 | 7.5 | 8.8 | 10 | 11.5 | 12.5 | 14 | 15 |
| s | 13 | 17/16* | 19/18* | 22/21* | 24 | 27 | 30 | 32/34* | 36 |
| L | WEIGHT IN KG/1000 PCS | ||||||||
| 40 | 20.4 | 35 | |||||||
| 45 | 22.3 | 38.1 | 53.8 | ||||||
| 50 | 24.3 | 41.2 | 58.2 | 83.3 | |||||
| 55 | 26.3 | 44.2 | 62.7 | 89.3 | 118 | ||||
| 60 | 28.3 | 47.3 | 67.1 | 95.4 | 126 | ||||
| 65 | 30.2 | 50.4 | 71.5 | 101 | 134 | 174 | 225 | ||
| 70 | 32.2 | 53.5 | 76 | 107 | 142 | 184 | 237 | 287 | |
| 75 | 34.2 | 56.6 | 80.4 | 113 | 150 | 194 | 250 | 302 | |
| 80 | 36.1 | 59.6 | 84.9 | 120 | 157 | 204 | 262 | 317 | 393 |
| 85 | 38.1 | 62.7 | 89.3 | 126 | 165 | 214 | 274 | 332 | 410 |
| 90 | 40.1 | 65.8 | 93.7 | 132 | 173 | 224 | 287 | 347 | 428 |
| 95 | 42.1 | 68.9 | 98.1 | 138 | 181 | 234 | 299 | 362 | 446 |
| 100 | 44 | 72 | 102.6 | 144 | 189 | 244 | 311 | 376 | 464 |
| 110 | 78.2 | 111.5 | 156 | 205 | 264 | 336 | 406 | 499 | |
| 120 | 84.3 | 120.3 | 168 | 221 | 284 | 360 | 436 | 535 | |
| 130 | 90 | 128 | 179 | 235 | 302 | 384 | 464 | 568 | |
| 140 | 96.2 | 136.9 | 191 | 251 | 322 | 409 | 494 | 603 | |
| 150 | 102.3 | 145.7 | 203 | 267 | 342 | 433 | 524 | 639 | |
| 160 | 154.6 | 215 | 282 | 362 | 458 | 553 | 674 | ||
| 170 | 163.5 | 227 | 298 | 382 | 483 | 583 | 710 | ||
| 180 | 172.4 | 239 | 314 | 402 | 507 | 613 | 745 | ||
| 190 | 251 | 330 | 422 | 532 | 643 | 781 | |||
| 200 | 264 | 345 | 442 | 556 | 673 | 816 | |||
All data for information purpose only. For more details on product standards or dimensions, please feel free to contact us at info@fastenersindia.in
Copyright © GS International, All Right Reserved.
Designed By Phoenix Creation